十大网赌靠谱网址
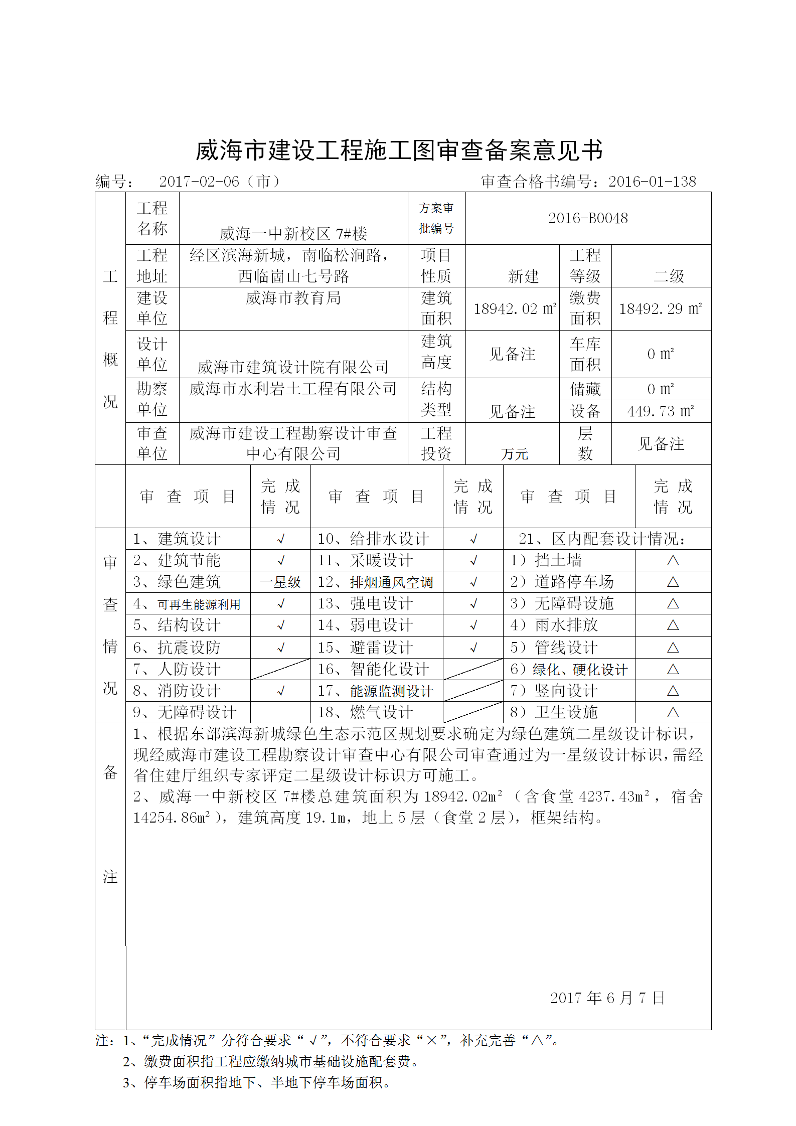
十大网赌靠谱网址 设计审批结果 十大网赌靠谱网址平台一中新校区7#楼施工图审查备案意见书
十大网赌靠谱网址
当前位置 :
首页
>
网上十大正规赌网址大全官网
>
重点工程及重大建设项目
>
竣工项目
>
十大网赌靠谱网址平台一中新校区项目
>
批准结果
>
设计审批结果
十大网赌靠谱网址平台一中新校区7#楼施工图审查备案意见书
文章来源:十大网赌靠谱网址住房和城乡建设局
时间: 2018-12-25 22:29
点击次数:
【关闭本页】
【打印本页】
【返回顶部】
301镜像站群
网页镜像工具
泛镜像站群
站群克隆软件
镜像站群系统
站点核心词加权
站群镜像程序
泛域名镜像
网站镜像克隆
>网站地图-sitemap